How does the AS-3 Automatic ABC instrument selector work?

The premise of the AS-3's usefulness is that there are three musical instruments to be selected, of which only one will be played at any instance in time. Each can be played sequencially in any order as long as only one instrument is the active instrument. The AS-3 can thus detect which of the three instruments is being played and pass it's signal to the amplifier while muting the other two.

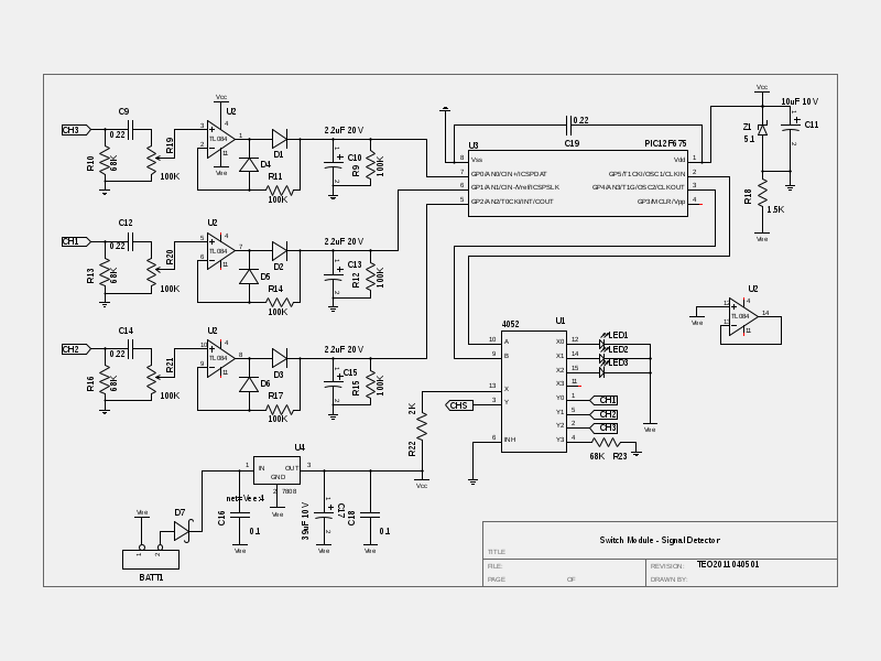
This is a simple functional description of how it works.

Each input has a high impedence buffer consisting of a JFET voltage follower. The input impedence is one megaohm. It does not load down or alter the sound.

Each inputs buffered signal is sent to two functional circuits. One is a precision peak detector. The second is a JFET analog commutating switch array.

The peak detected signal for all three inputs is evaluated by a complex comparator circuit. The comparator circuit determines which of three inputs has the highest volume and then selects that inputs JFET analog switch to commute the signal to the output buffer.

Only one JFET switch in the commutator can be active at a time and thus the other channels are muted.

When all three inputs are quiet the comparator maintains the last active input as the selected input.


Three input JFET buffers and the output JFET buffer.



Three precision peak detectors(U2), the comparator(U3), and the analog commutator(U1).

Note that I found that we really don't need the sensitivity adjustment potentiometers since the musician overrides that with the controls on the instruments. So capacitors C12, C9, C14 and the pots R20,R19,R21 can be eliminated and bypassed with a jumper wire. In which case R10, R13, R16, R23 becomes 100K instead of 68K.


DIY Bill Of Materials.